Принцип работы и тип устройства

растворосмесителиключевых элементов

Станина объединяет все элементы и узлы в единую конструкцию, она состоит из труб, профилей и часто дополняется одной или двумя парами колесных шасси для легкости перемещения всего устройства. Трансмиссия и силовой блок – место, где электрическая энергия преобразуется во вращательные движения, необходимые для приготовления бетонного раствора. В рабочей емкости происходит сам процесс смешивания всех компонентов для получения бетона. Эта емкость может иметь разный объем, отчего будет зависеть сфера использования. В ней расположены органы замеса, которые могут иметь разную форму, разный принцип действия, и часто они объединены с другими элементами конструкции.
Механизм разгрузки, предназначенный для извлечения готового бетона, может быть реализован по-разному: червяные или ступенчатые передачи, специальная заслонка, которая приоткрывает часть днища барабана, когда это необходимо, и т.д..
По типу привода все бетономешалки можно поделить на следующие типы:
-
мускульный привод. Это самые простые и самые древние устройства, где источник питания для замешивания бетона – человеческая сила. Мускульная энергия человека посредством воздействия на определенный рычаг превращается во вращательные движения бетономешалки. Для таких устройств характерно самое простое строение, надежность, дешевизна и автономность. Но они не освобождают человека для выполнения других задач, требуют приложения огромной энергии, а объем барабана при этом не может превышать 100 литров, иначе вымешать раствор будет невозможно;
- гидро- и пневомопривод используется только в промышленных условиях. Тут источником является большой напор воды или воздуха, который воздействует на мотор редуктора. Такие бетономешалки получаются очень мощными, требуют соблюдения строгой техники безопасности и могут использоваться в местах с развитой энергетической инфраструктурой;
- мотопривод предполагает использование двигателя внутреннего сгорания. Основное преимущество таких бетономешалок – автономность, но распространения они до сих пор не приобрели в силу высокой стоимости, шума и появления токсичных выхлопных газов;
-
электропривод. Им сейчас оборудуются 99% бетономешалок, это самый удобный, продуманный на сегодняшний день способ получения энергии.
От электричества питаются совсем крошечные бытовые бетономешалки и огромные промышленные устройства с емкостью в несколько кубических метров.
По принципу работы бетономешалки могут быть:
гравитационными. Они предназначены для приготовления вязких и жестких составов. Подготовленная смесь внутри тщательно размешиваются благодаря лопастям специального строения, которые не дают составу накапливаться на стенках: сами лопасти остаются неподвижными, а вращается только барабан. Максимальный объем барабана в таких бетономешалках составляет 300 литров, и они отлично подходят для частного самостоятельного строительства. Загрузка всех компонентов в барабан проходит вручную, за исключением некоторых продвинутых моделей;


Гравитационные бетономешалки могут отличаться еще и по типу устройства:
венечные – наиболее популярные устройства, где перемешивание раствора происходит благодаря специальному венцу, который может быть выполненым из стали, чугуна или пластмассы. Предпочтение лучше отдавать чугунным вариантам, которых немало среди бетономешалок фирмы «Elitech». Также спросом пользуются полиуретановые венцы, которые по характеристикам ничем не уступают чугунным, но при этом уровень шума при их работе насколько ниже. Стальные венцы – самые надежные, но и самые дорогие, отлично подходят для самых масштабных строек, а для индивидуального строительства можно выбрать вариант попроще. Венечные бетоносмесители очень легко починить, они относительно недорогие, что и приносит им широкую популярность;


Чертежи и конструкции самодельных бетономешалок
В первую очередь для бетономешалки необходимо подготовить тару таких размеров, которая будет уместна для ваших видов работ.
Не стоит выбирать маленькие емкости. В них бетон достаточно быстро застоится, а если объема переработанного материала вам окажется мало, потребуется снова замешивать его. Наиболее приемлемый объем емкости — 200 литров.
Следующим шагом вырежете дно средних размеров в вашей будущей бетономешалке.
В том случае, если предполагаемый объем работы бетономешалки будет не очень большим, то его остов вполне может быть деревянным.
Средних размеров брус может быть от 10х10 до 20х20, не более и не менее.
Важно, чтобы соединение деталей в раме должно основываться на приципе «в шип». Кроме того, оно в обязательном порядке должно быть промазано клеем и посажено на саморезы
Такая конструкция гарантирует длительный срок эксплуатации бетономешалки.
Рама для бетономешалки должна быть металлической. Для того чтобы сконструировать ее, заранее запаситесь уголком небольших размеров. За его ответствуем также подойдет швеллер. Гайки, заклепки или даже сварка поможет вам сложить конструкцию.
Что касается двигателя, то в самодельных бетономешалках часто используют мотор от старых автомобилей или скутеров. Опять же, если объемы производства будут незначительным.
Мотор от старой стиральной машинки также придется очень кстати. Его преимущество в том, что он может работать достаточно долго, при этом не перегорая.
Чертежи самодельных бетономешалок в фото — галерее.








В процессе смешивания бетона, важное значение имеет момент кручения бетона. Мотор от стиральной машинки изначально для этого и был предназначен, поэтому способен выдержать любую нагрузку
Для того, чтобы обеспечить это количество, необходимы редукторы
Важно, чтобы они были разных схем. Самый примитивный редуктор — это тот, который состоит из шкива и ремня
Но что касается редуктора, то он, разумеется, должен быть цепным. В противном случае такая конструкция просто не будет функционировать.
В ролике подробно рассказано и показано, как делается бетономешалка своими руками с чертежами и наглядным пособием по изготовлению.
Причины поломки
Чаще всего дефекты возникают во вращающихся узлах бетономешалки. Во время работы агрегата в подшипниковый узел груши попадает цементное молочко, которое постепенно твердеет и засоряет подшипник. Это приводит к его разрушению, что является причиной поломки бетономешалки. Если не проводить своевременные осмотры агрегата и его чистку после окончания работ, то такой смеситель прослужит недолго, а выход из строя подшипников тянет за собой поломку всего узла и конструктивных элементов рамы.
Часто для ускорения работ бетономешалку перегружают смесью, что негативно сказывается на работе всего устройства и на приводном узле. При этом разрушается не только ремень, но и шкив. А это грозит простоем механизма в течение нескольких дней.
Т. к. работа бетономешалки связана с частыми включениями и отключениями, то возможна поломка электропускателя. В большинстве случаев дефект связан с подгоранием контактов или замыканием в удерживающей катушке.
Выход из строя электродвигателя бетономешалки происходит редко, и это чаще всего связано с вмешиванием в схему управления, если его пуск производится напрямую, без кнопки. При такой схеме из действия выводится тепловое реле двигателя, и устройство остается без защиты. Повышение температуры обмотки ведет к разрушению изоляции и, как следствие, к поломке бетономешалки.
Котлета, котлета и ещё одна котлета
У вас есть 2 сковородки и 3 котлеты. На приготовление 1 котлеты с одной стороны уходит 1 минута. На одной сковороде вмещается лишь 1 котлета.
Вопрос: за какое минимальное время вы сможете полностью обжарить все 3 котлеты?
Первым в голову приходит ответ — 4 минуты. Но можно уложиться и в 3 минуты. Для этого придерживайтесь следующей последовательности:
- положите жариться по 1 котлете на две сковороды;
- через минуту переверните первую котлету, а вторую уберите. На место второй котлеты положите третью;
- ещё через минуту первая котлета будет полностью готова. На её место положите дожариваться вторую котлету, которую вы убрали, а третью котлету переверните;
- спустя минуту все 3 котлеты будут полностью обжарены.
Правильное восприятие проблемы на работе
Прежде чем искать решение проблем на работе, необходимо сначала поработать над их восприятием. Людям свойственно по-разному реагировать на одинаковые события, ввиду личностных особенностей и преобладающего в конкретный момент времени настроения.
Когда речь идет о конфликте, априори предполагается участие нервной системы человека. Никто не сможет остаться равнодушным к такой эмоциональной встряске. И если чувства контролировать практически невозможно, то поведение коррекции поддается. То, какую реакцию проявляет человек в конфликтной ситуации, многое может рассказать о его характере в целом и профессиональных способностях, в частности.
Например:
- Если работник начинает паниковать, то это может являться свидетельством его нерешительности и невысокой самооценки.
- Равнодушие и безучастие «рисует» человека, несерьезно относящегося к выполняемым обязанностям и его халатное отношение к работе.
- Нежелание проявить какую-либо инициативу с целью решения проблемы часто указывает на низкий уровень стрессоустойчивости сотрудника.
- Сосредоточенность и исполнительность являют личность, способную к объективной оценке ситуации, признанию собственных ошибок, и умеющую концентрироваться на процессе их устранения.
Естественная реакция любого человека на стресс – это самозащита. И то, насколько активное участие индивид принимает в тех или иных обстоятельствах, отражает его внутреннюю силу и собранность. Слабый человек предпочитает наблюдать за происходящим со стороны и использует любую возможность, чтобы переложить ответственность за решение проблемы на другого. Чаще всего это сигнализирует о недостаточной его квалификации.
Любую возникшую психологическую проблему в работе с коллегами и руководством непременно нужно решать, только так можно избежать ее усугубления и сохранить хорошую коммуникацию с сослуживцами
Если от природы человеку недостаточно внутренней организованности, то над этим следует работать: учиться сосредотачиваться на важном и ни в коем случае не поддаваться панике. Тольку путем совершенствования имеющихся навыков можно добиться успехов на своем поприще
Как сделать бетономешалку из бочки своими руками
Размышляя, как сделать бетономешалку своими руками, чертежи или эскизы подготовьте заранее. Можно для изготовления заэскизировать натурный образец, который положительно зарекомендовал себя в условиях эксплуатации. Рассмотрим особенности самостоятельного изготовления различных вариантов.
Как сделать бетономешалку ручной конструкции и с электроприводом
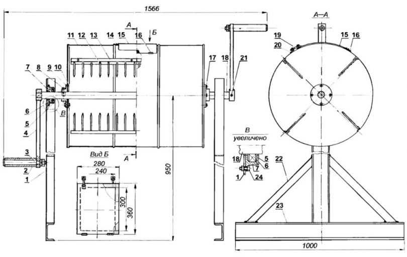
Ручной вариант растворосмесителя – самый простой. Он лучше всего подойдет для приготовления небольших объемов смеси и более дешевый, чем электрические модели. Процесс перемешивания осуществляется путем заполнения резервуара компонентами с последующей передачей крутящего момента путем поворота рукоятки.
Алгоритм сборки предусматривает выполнение следующих операций:
Сварку металлоконструкции. Она состоит из двух треугольных боковин, соединенных перемычками. В верхней части расположены втулки крепления поворотного вала.
Подготовку смесительного резервуара. В качестве емкости можно использовать бочку, молочный бидон или корпус стиралки. Внутри необходимо закрепить лопасти.
Установку емкости на поворотном валу
Важно обеспечить жесткое соединение и герметизировать зазоры на участках крепления вала.
Фиксацию рукоятки для смешивания и контроль герметичности смесителя. Для испытаний необходимо заполнить емкость водой и убедиться в отсутствии течи.

Подготовка смесительного резервуара
Соблюдая указанную последовательность операций, легко может быть изготовлена бетономешалка своими руками. Чертежи или эскизы можно подкорректировать, предусмотрев возможность использования молочного бидона или другой емкости.
Если с противоположной от рукоятки стороны вала закрепить шкив клиноременной передачи или звездочку цепного привода, то можно обеспечить передачу крутящего момента от редуктора, соединенного с электродвигателем. Бетономешалка своими руками из бочки, приводимая в движение от электромотора, обеспечит повышенную эффективность смешивания.
Самодельная бетономешалка с двигателем от стиральной машины
Используя мотор мощностью 0,18 кВт с частотой вращения 1500 об./мин., можно собрать электропривод растворосмесителя. Для передачи крутящего момента используется стартерная шестерня и маховик от легкового автомобиля.
Передвижная бетономешалка из стиральной машины своими руками изготавливается в указанном порядке:
- Сварите раму с осями для шестеренчатой передачи.
- Закрепите колеса.
- Установите на осях шестерни привода.
- Прикрепите двигатель со шкивом.
- Соберите ременную передачу.
- Закрепите бочку на торце маховика.
Остается подключить электропитание и проверить, как работает самодельная бетономешалка из стиральной машины.
Как работает самодельная бетономешалка?
На практике используют 4 основных способа замешивания раствора:
- Гравитационный.
- Механический.
- С принудительной вибрацией.
- Комбинированный.
При первом способе вращается емкость с компонентами цементно-песчаной смеси и происходит перемешивание под воздействием сил гравитации. При этом методе большой объем раствора замесить нельзя, а качество бетона на выходе чуть больше удовлетворительного. Поэтому этот способ не применяется в широких масштабах. Но сделанная по этому методу бетономешалка своими руками вполне может подойти при малом объеме работы.
Способы замешивания раствора.
При вибрационном способе перемешивания раствора корпус машины не двигается, а снабженный вибратором замешиватель создает в смеси песка и цемента волну сжатия. Получается бетон высокого качества. Но у этого метода есть и существенный недостаток — большая энергоемкость. Например, чтобы получить 18-22 литра раствора, нужен приводной электрический двигатель мощностью 1,3-1,5 кВт.
Механическое замешивание материала в чистом виде не применяют, а используют в комбинированном способе вместе с гравитацией. Такая самодельная бетономешалка состоит из сосуда, который вращается в горизонтальной или наклонной плоскости. Внутри конструкции делаются выступы, которые перемешивают раствор. Подобные конструкции привлекают к себе самодельщиков из-за простоты изготовления. Поэтому ниже описаны в основном агрегаты такого типа.
Как сделать своими руками: подробная инструкция
Самодельная бетономешалка принудительного действия, с помощью которой изготавливаются все типы бетона, в том числе и пенобетон, делается в домашних условиях таким образом:
Для качественного замеса строительного раствора внутрь емкости нужно приварить лопасти.
- В центре фляги или бочке прорезать прямоугольное отверстие так, чтобы образовалась узкая щель равная к стыкам. Внутри емкости приварить выступ из металлического профиля и с помощью резины осуществить герметизацию.
- В днище бочки болгаркой вырезать круглое отверстие, это будет крышка, которая распахивается только наружу, для надежности установить металлические запонки и запор. Отверстие для заливки раствора заваривать необязательно, штатный заслон станет вполне надежной защитой от самопроизвольного открытия.
- Внутрь цилиндра приварить 3—4 лопасти, которые будут отвечать за качество замеса материала.
- Бока бака, ближе к центру — это место для расположения подшипников, которые нужно приварить сварочным аппаратом. Там же крепится стальная ось со ступицей.
- Подготовленный цилиндр прикрепить к станине, с другой стороны приварить ручку из металла и ручная бетономешалка своими руками готова к эксплуатации.
Чертежи самодельных бетономешалок
Многие практикуют подключение электродвигателя бетономешалки самодельным вариантом на основе покупной марки «Гамбит РБГ-250», для этого не нужно покупать новую деталь, вполне подойдет электромотор от старой стиральной машины или даже мопеда. Не менее популярны электросхемы, отличия которых кроются в автоматизации замеса бетона, правда, машины будут полностью зависеть от электричества. Электрическая схема, вмонтированная в устройство, особо актуальна для тяжелого бетона, замес которого требует особых силовых затрат, если бетономешалка шнековая (принудительного действия). Для арболита подойдет бетономешалка с ручным приводом.
Для бетоносмесителя можно использовать двигатель от стиральной машины, способный выдержать больше нагрузки.
Качественный замес бетона возможен только при активном кручении и переворачивании раствора. С такой задачей хорошо справится двигатель от стиралки, который выдерживает большие нагрузки. Средний порог оборотов должен быть не меньше чем 20 в минуту. Такое количество обеспечивают редуктора различных схем, обладающие сцепной ременной системой.
Емкость для бетономешалки: тонкости изготовления
Для самодельного средства необходимо подготовить металлическую бочку объемом до двести литров.
Изготовление самодельных бетономешалок любых видов построено на общих технологических принципах. Для проведения процедуры потребуется прочная емкость, имеющая цилиндрическую форму и грушу со средним объемом в 150—200 литров. Далее крепкий металл для предполагаемой рамы, для маленьких смесителей подойдут деревянные или пластиковые держатели, лопасти для переворачивания раствора, ковш для выгрузки и передач материала на трактор или другую спецтехнику, редуктор или электродвигатель для бетономешалки. Для передвижения агрегат устанавливают на роликах.
Новаторам будет актуально руководство, что поможет быстро изготовить самодельный бетоносмеситель. Потребуется:
- Металлический бак, что отвечает за объем бетономешалки.
- Прут или уголок из стали будет основой станины.
- Два новых или ранее эксплуатируемых подшипника.
- Металлическая труба или отрез арматуры, это будет ось и ручка.
- Болгарки и аппараты для сваривания.
- Механический набросок или компьютерная программа «конструктор».
Выбор типа бетономешалки
Есть ручные и электрические приборы. В первом случае работники сами крутят ручки. За счет приложенной силы производится замес бетона. Такую конструкцию можно смастерить из бочки или бака. При использовании такой конструкции понадобится минимум два человека. Один рабочий не в силах крутить обе ручки бака.
Для электрической бетономешалки понадобится двигатель. Поэтому часто мастера изготавливают мешалку из стиральной машины. Желательно, чтобы барабан у нее был вместителен. Тогда раствор не придется часто замешивать.
![]()
Обычно рекомендуют стиральную машину с объемом барабана 200 л, а это 20 кг белья. Такие машины редко используются в доме. Обычно они стоят в прачечных. Машину предпочтительнее выбирать с вертикальной загрузкой.
Электрическая мешалка заменяет ручной труд, поэтому с ней справится один человек
Важно не перегрузить двигатель. Иначе он сгорит
Как устроена бетономешалка?
Стандартная конструкция включает в себя:
- станину (она может быть как на шасси, так и стационарной);
- замешивающие рабочие органы;
- емкость, в которой происходит непосредственно процесс замешивания;
- разгрузочный механизм;
- трансмиссию;
- движущий агрегат (он может быть, к примеру, бензиновым или же электрическим).

Ознакомимся с каждой из конструктивных составляющих более детально.
- Итак, станина представляет собой конструкцию, выполненную из профилей/труб и предназначающуюся для соединения всех частей бетономешалки в одну систему. Если агрегат небольшой, то станина может быть оснащена двумя\четырьмя колесами, чтобы легче было его транспортировать.
- К замешивающим органам зачастую можно отнести лопасти, шнеки и прочие детали, воздействующие непосредственно на ингредиенты замешиваемого бетона.
- Емкость – это элемент, в котором все эти ингредиенты перемешиваются. Ее объем и габариты зависят преимущественно от того, какова производительность бетономешалки.
- Разгрузочный механизм – он, как можно судить из названия, предназначается для извлечения бетона с целью дальнейшего применения в строительных работах. Тоже может быть разным.
- Наконец, трансмиссия с движущим агрегатом нужны для превращения той или иной энергии в движение замешивающего органа. Как уже отмечалось ранее, двигатель бывает электрический (используется чаще всего) или же бензиновый.

Как устроена бетономешалка?
Стандартная конструкция включает в себя:
- станину (она может быть как на шасси, так и стационарной);
- замешивающие рабочие органы;
- емкость, в которой происходит непосредственно процесс замешивания;
- разгрузочный механизм;
- трансмиссию;
- движущий агрегат (он может быть, к примеру, бензиновым или же электрическим).
Ознакомимся с каждой из конструктивных составляющих более детально.
- Итак, станина представляет собой конструкцию, выполненную из профилей/труб и предназначающуюся для соединения всех частей бетономешалки в одну систему. Если агрегат небольшой, то станина может быть оснащена двумя\четырьмя колесами, чтобы легче было его транспортировать.
- К замешивающим органам зачастую можно отнести лопасти, шнеки и прочие детали, воздействующие непосредственно на ингредиенты замешиваемого бетона.
- Емкость – это элемент, в котором все эти ингредиенты перемешиваются. Ее объем и габариты зависят преимущественно от того, какова производительность бетономешалки.
- Разгрузочный механизм – он, как можно судить из названия, предназначается для извлечения бетона с целью дальнейшего применения в строительных работах. Тоже может быть разным.
- Наконец, трансмиссия с движущим агрегатом нужны для превращения той или иной энергии в движение замешивающего органа. Как уже отмечалось ранее, двигатель бывает электрический (используется чаще всего) или же бензиновый.
Фото узлов самодельных бетономешалок (может будет полезно)
Каждая или почти каждая бетономешалка, сделанная своими руками, имеет какие-то оригинальные решения. Мало кто повторяет конструкцию полностью, не внося каких-либо изменений — приходится подстраиваться под те детали и узлы, которые есть в наличии. Некоторые интересные решения есть в фото.

Если оставить дно обычной бочки без усиления, тонкий металл (3-4 мм) может не выдержать нагрузок и его просто покрутит. Потому лучше наварить уголки или П-образный прокат

Организация передачи при помощи мото-цепи и второй — ременной

Форма лопастей — сложная штука. Надо чтобы они улучшала перемешивание, а не задерживали бетон от падения вниз

Как сделать емкость подвижной, чтобы можно было выворачивать ее



























